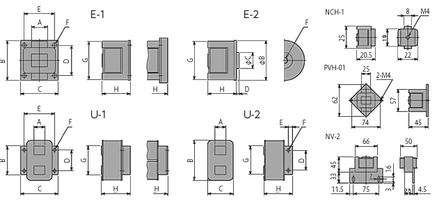
仕様
| 発注品番 | 形式 | 姿図 | A | B | C | D | E | F | G | H | 適用機種 ※印は廃盤機種を示します。 | |||
|---|---|---|---|---|---|---|---|---|---|---|---|---|---|---|
|
PV-5 | E-1 | 20 | 50 | 46 | 38 | 38 | 4-Φ6 | 48 | 35 | NCK-20 NCH-4F HV-5 |
|||
|
PV-15 | E-1 | 25 | 68 | 66 | 50 | 50 | 4-Φ7 | 66 | 48 | NCK-40 ※NCH-5F HV-10 |
|||
|
PV-25 | E-1 | 41 | 80 | 80 | 60 | 60 | 4-Φ10 | 79 | 56 | PV-25 NV-4 HV-15 |
|||
|
PV-30 | E-1 | 30 | 118 | 80 | 82 | 56 | 4-Φ10 | 111 | 78 | PV-30 NCA HV-20 |
|||
|
PV-40 | E-1 | 40 | 118 | 100 | 82 | 80 | 4-Φ10 | 111 | 78 | PV-40 | |||
|
PV-45 | E-1 | 50 | 135 | 100 | 82 | 80 | 4-Φ10 | 128 | 89 | PV-45 | |||
|
PV-50 | E-1 | 50 | 165 | 110 | 135 | 85 | 4-Φ12 | 146 | 98 | PV-50 | |||
|
PV-60 | E-1 | 60 | 195 | 140 | 150 | 110 | 4-Φ14 | 171 | 118 | PV-60 | |||
|
PV-80 | E-1 | 70 | 200 | 170 | 170 | 134 | 4-Φ19 | 171 | 117 | ※PV-80 | |||
|
NCH-2 | E-2 | 12 | 29 | M4 | 28 | 25 | NCH-2 NCH-2F NCH-3F NCK-15 |
||||||
|
HV-00 | E-2 | 12 | 29 | M4 | 28 | 25 | HV-00 ダイオード組込 | ||||||
|
HV-01 | E-2 | 13 | 40 | 15 | 3.5 | M6 | 41 | 30 | HV-01 ダイオード組込 | ||||
|
HV-02 | E-2 | 20 | 48 | 20 | 5 | M8 | 48 | 36 | HV-02 ダイオード組込 | ||||
|
HV-03 | E-2 | 25 | 55 | M10 | 57 | 51 | HV-03 ダイオード組込 | ||||||
|
PV-20 | U-1 | 18 | 62 | 62 | 50 | 50 | 4-Φ7 | 60 | 54 | NCK-60 NV-3 |
|||
|
PVH-14 | U-1 | 20 | 72 | 68 | 38 | 60 | 4-Φ5.2 | 58 | 76 | PVH-14 | |||
|
PVH-18 | U-1 | 25 | 66 | 85 | 45 | 70 | 4-Φ7 | 66 | 70 | PVH-18 PVH-23 |
|||
|
PVH-28 | U-1 | 40 | 98 | 116 | 65 | 98 | 4-Φ9 | 75 | 100 | PVH-28 | |||
|
PVH-35 | U-2 | 22 | 81 | 55 | 40 | 9 | 2-Φ6 | 58 | 76 | PVH-35 | |||
|
PVH-45 | U-2 | 36 | 107 | 71 | 50 | 11 | 2-Φ8.5 | 72 | 88 | ※PVH-45 | |||
|
PVH-55 | U-2 | 35 | 103 | 73 | 50 | 11 | 2-Φ8.5 | 72 | 88 | ※PVH-55 | |||
|
NCH-1 | NCH-1 | NCH-1 | |||||||||||
|
PVH-01 | PVH-01 | PVH-01 | |||||||||||
|
NV-2 | NV-2 | NV-2 |
